Válec Polini racing, litina 70ccm, Minarelli vertical
Kód: 166.0074/RSouvisející produkty
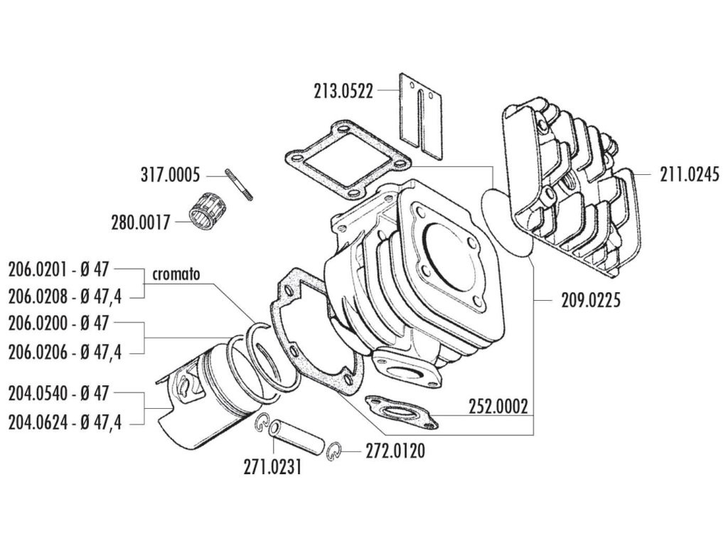
Náhradní hlava válce Polini, na válec 70ccm s průměrem 47mm, vhodná pro motory Minarelli vertical.
Pístní sada 70ccm Polini v top kvalitě. Průměr pístu je 47mm a pístního čepu 10mm, tato pístní sada je vhodná pro motory Minarelli. V sadě je píst, pístní kroužky, pístní čep a...
Vysoce kvalitní pístní kroužek Polini na válce 70ccm. Pístní kroužek má průměr 47mm a tloušťku 1,2mm.
Vysoce kvalitní chromovaný pístní kroužek Polini pro válce 70ccm. Pístní kroužek má průměr 47mm a tloušťku 1,2mm.
Pístní sada 70ccm Polini v top kvalitě. Průměr pístu je 47,4mm a pístního čepu 10mm, tato pístní sada je vhodná pro motory Minarelli, Morini, 1E40QMB, Peugeot, Honda. V sadě je...
Vysoce kvalitní pístní kroužek Polini pro válce 70ccm. Pístní kroužek má průměr 47,4mm a tloušťku 1,2mm.
Vysoce kvalitní chromovaný pístní kroužek Polini pro válce 70ccm. Pístní kroužek má průměr 47,4mm a tloušťku 1,2mm.
Náhradní sada těsnění válce Polini sport 70ccm. Sada těsnění válce je vhodná pro motory Minarelli vertical AC.
Kvalitní karbonové lístky klapek Polini jsou vhodné pro motory Minarelli vertical jako je Aprilia, Italjet, MBK, Yamaha. Rozměr: 42x38mm, Tloušťka: 0,35mm, Počet: 1 kus.
Náhradní těsnění výfuku Polini (ploché) je vhodné pro stroje s motory Minarelli, Morini AC, Kymco horizontal AC (SF10).
Vysoce kvalitní 10mm pístní čep Polini má délku 36mm a je vhodný pro válce s průměrem pístu mezi 47 a 47,6mm.
Náhradní ségrovka pístního čepu, vhodná při výměně pokud se ségrovka například ohne. Ve tvaru dvojíté G, což je nejjednodušší tvar na montáž.
Ségrovky pístního čepu Naraku 10 mm, 2ks - Náhradní ségrovky pístního čepu od Naraku s průměrem 10 mm. Balení obsahuje 2ks.
Vysoce kvalitní ložisko pístního čepu Polini má rozměry 10x14x13mm a je vhodné pro motory Minarelli a Morini s 10mm pístním čepem.
Náhradní šteft výfuku Polini se závitem M6 a délkou 32mm.
Štefty a matky na výfuk, závit M6 - Štefty a matky na výfuk, závit M6
Detailní popis produktu
Kompletní sada litinového válce Polini Racing 70ccm s vrtáním 47mm. Tento válec je určený pro motory Minarelli vertical. Tento válec Vám zaručí zvýšení výkonu, dle výrobce dosahuje výkonu 10,5 hp při 10 800 ot./min.Doplňkové parametry
Pístní sada Meteor d=41 mm, Morini AC (10 mm čep) - Náhradní píst pro Váš originální padesátkový válec. Pokud se Vám zdá, že výkon motoru už není to co bývalo, je možná čas na...
Pokud hledáte to nejlepší pro Váš stroj, tak Malossi je určitě to nejlepší co můžete vybrat. Na detailním popisu tohoto produktu pracujeme, pokud máte dotazy tak nás neváhejte...
CNC frézovaná distanční podložka válce VOCA pro Minarelli ležatý. Zajišťuje přesné usazení a je nezbytná pro dlouhozdvihové kliky a přestavby se speciálním časováním
Sada velice výkonného válce, od španělského výrobce Airsal, se skládá z válce Airsal T6-Racing 49,9ccm o průměru 39mm. Válec při správném naladění dosahuje až 8 koní. Tato sada...
Válec Malossi Sport 50ccm, Minarelli horizontal LC - Základní sportovní válec z litiny od Malossi pro každodenní použítí s obsahem 50ccm. S tímto válcem můžete očekávat 5-7 koní...
Válec Malossi Sport 73ccm pro ITALJET/PIAGGIO Pack/Ciao/Ciao PX 50ccm - Základní sportovní válec z litiny od Malossi pro každodenní použítí. Výkon není tak závratný, ale za...
Válec Malossi Sport 50ccm, Piaggio AC - Základní sportovní válec z litiny od Malossi pro každodenní použítí s obsahem 50ccm. S tímto válcem můžete očekávat 5-7 koní a je vhodný...
Válec Malossi 172cc, Piaggio 2T AC. Větší objem pro vyšší výkon, hliníkové provedení pro lepší chlazení.
Válec Malossi 172 ccm pro Piaggio 2T AC zvyšuje objem motoru a zlepšuje dynamiku při zachování vysoké spolehlivosti.
MVT litinový válec s dobrým průběhem točivého momentu vhodný pro každodenní použití. Výfuk MVT Iron Max je s ním dobře sladěný.
Pístní sada Meteor d=40 mm, Piaggio - Náhradní píst pro Váš originální padesátkový válec. Pokud se Vám zdá, že výkon motoru už není to co bývalo, je možná čas na výměnu pístu....
Válec Malossi MHR 70ccm, 12 mm, Minarelli horizontal AC - Závodní válec do kategorie 70cc. To nejlepší nářadí od Malossi do této kategorie. Nejlepší ve spojení se závodním...
Diskuze
Buďte první, kdo napíše příspěvek k této položce.
| Výrobní společnost : | Polini Motori SpA |
|---|---|
| Adresa : | Viale Piave 30 24022 Alzano Lombardo Bergamo, Italy |
| E-mail : | info@polini.com |